Introduzione

Is your coffee maker sputtering out like an old train? Is your coffee lukewarm after too many minutes? Start here, with this disassembly guide to learn the inner workings of your good for nothing (but soon to be better coffee maker)!

This disassembly will help expose parts that can allow you to repair clogs and the machine’s heating element. We will highlight how the spout and heating work. However, if you’re here to fix issues with the top circuit board, buttons, and display, just know that to access the parts, you will damage the exterior. The manufacturer designed this machine so that it is unable to be accessed without damaging the body!

This guide is of medium difficulty and can be accomplished by most experience levels. Make sure the device is unplugged from the wall and has not been in use for several hours before disassembling in order to ensure there are no hazards to your body and face.

  1. XlpoWtXp5eBsAfLh
    XlpoWtXp5eBsAfLh
    sPcuyFn54HPDxsk6
    • Flip the coffee maker upside down and use the Spanner-8 bit, found in the Mako Driver Kit to remove the four 13 mm security screws.

    • Once the bottom is loose, take it off, and put it to the side with the security screw.

    • You should see a horseshoe-shaped heating element and a circuit board inside.

  2. gvtHYN6GJXAbDiWC
    gvtHYN6GJXAbDiWC
    aVdWGGsTvdFNVijs
    KVDVQHXWtMPNw5MH
    • Pull the three-pin JST connector connected to the white and red wires out of the circuit board.

  3. Wa6A1bboR5C4Mbac
    Wa6A1bboR5C4Mbac
    mQICiXVCrA2uJGTP
    BaWWbgIpMe35LUmq
    • Unscrew the two 12 mm screws from the bar that holds the heating element in place using the Phillips #1 screwdriver.

    • Use your other hand to push the heating plate out of its place.

  4. uSU1plrqpFyDDRxm
    uSU1plrqpFyDDRxm
    InOZqeuC136gEnbo
    xnmaXF1CYuFOf3DX
    • Remove the ten 13 mm Phillips #2 screws that connect the base of the machine to the upper segment.

  5. avUV1Q22cK4BKYHK
    avUV1Q22cK4BKYHK
    BDdZnPI2NgEspYIZ
    DGmjDQlJCDtbW3Ui
    • Separate the two halves. Use large needle-nose pliers to untwist the wires that secure the heating tubes. Then use a moderate amount of force to pluck the tubes off the spokes.

  6. f3Ao1YFJOqO1LBK1
    f3Ao1YFJOqO1LBK1
    alEvPCFRFMM1IWEw
    • Once the two parts are fully separated, take the top element of the machine, and flip it right side up.

    • Remove the coffee maker’s lid by rotating it 180 degrees and gently popping it off of the hinge.

  7. iHdZ6eZ43xks1Nj1
    iHdZ6eZ43xks1Nj1
    LbyLHqSvvmClkAYP
    MiKEVAJty5Wf6LCC
    • Rotate the spout to the back of the machine and take the coffee ground cup out.

  8. SnYUWwQ2iSImRP5G
    SnYUWwQ2iSImRP5G
    UjYNsKEvY5X6tJGv
    • Remove the 8 mm Phillips #1 screw that connects the spout to the machine.

    • This will allow access to the hot water tube.

  9. IboRH1Qm2LMaegFl
    • Now, we get to disassembling the display and buttons to access the top circuit board. This step WILL damage your coffee maker. We recommend following through with the rest of this guide ONLY if you are willing to sacrifice aesthetics for function.

    • Use the ifixit opening too, or any wedge to ply the metal cover off. As you do so, four metal tabs will pop out. These tabs won’t go back in cleanly, and the cover will bend as you pull it off.

  10. QZ4FFCPEsuK6qGA1
    QZ4FFCPEsuK6qGA1
    cOversoiZQSIeaRh
    • Use large needle-nose pliers to pull the secondary cover off.

    • This will deform and crack the plastic as you will need to be forceful.

  11. px62LovyaFJYAjsu
    • Once the plastic covering comes off, remove the four 9mm screws that attach the circuit board to the cover using the Phillips #0 screwdriver.

  12. e6akg13lNjQI1qdS
    • This is the front of the circuit board. The switches the buttons control are circled.

  13. JRon4NsYCExioW45
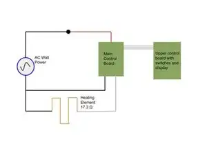
    • Once you've taken the coffee maker apart, you can get a very good sense of how it operates. Here are the basics of how it works:

    • Once plugged in, the control board takes inputs from the 5 buttons at the top of the machine.

    • Once the mode has been selected, the control board sends electricity through the heating element (17.3 Ω). The heating element is metal and sits right underneath the metal heating plate which keeps your already dispensed coffee warm from the bottom of the kettle.

    • The very same heating element has a channel through the middle and is connected to two rubber tubes. These tubes guide the water from the reciprocal into the heating element, which boils the water.

    • The tubes then carry the boiling water up to the top of the machine, into the coffee filter where the water mixes with coffee grounds and is dispensed into the cup.

    • It is interesting to note that many of the elements that interact with the heating system and boiling water are plastic, making plastic leaching a potential concern.

Conclusione

To reassemble your device, follow these instructions in reverse order.

Sean Beaver

Membro da: 13/09/23

267 Reputazione

0 commenti